2.4-V to 5.5-V input, 3-A step-down converter with 1% accuracy in 1.5-mm x 2-mm VSON-HR package
Texas Instruments
RSS
Sample
- Darmowa próbka
- MPN:
- TPS62823
- Producent:
- TEXAS INSTRUMENTS
- Dodany do bazy:
- Ostatnio widziany:
Sugerowane produkty dla in1
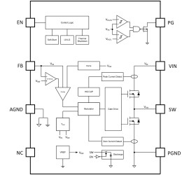
The TPS6282x is an all-purpose and easy to use synchronous step-down DC-DC converter with a very low quiescent current of only 4 µA. It supplies up to 3A output current (TPS62823) from a 2.4-V to 5.5-V input voltage. Based on the DCS-Control™ topology it provides a fast transient response.
The internal reference allows to regulate the output voltage down to 0.6 V with a high feedback voltage accuracy of 1% over the junction temperature range of -40°C to 125°C. The 1-A, 2-A, 3-A scalable pin-to-pin and BOM-to-BOM compatible device family can be used with small 470-nH inductors.
The TPS6282x include an automatically entered power save mode to maintain high efficiency down to very light loads.
The device features a Power Good signal and an internal soft start circuit. It is able to operate in 100% mode. For fault protection, it incorporates a HICCUP current limit as well as a thermal shutdown.
The TPS6282x are packaged in a 2 mm x 1.5 mm QFN-8 package.
Elecena nie prowadzi sprzedaży elementów elektronicznych, ani w niej nie pośredniczy.
Produkt pochodzi z oferty sklepu Texas Instruments