3-A, 100-V full bridge gate driver with Integrated current sense amplifier
Texas Instruments
RSS
Sample
- Darmowa próbka
- MPN:
- SM72295
- Producent:
- TEXAS INSTRUMENTS
- Dodany do bazy:
- Ostatnio widziany:
Sugerowane produkty dla sm72295
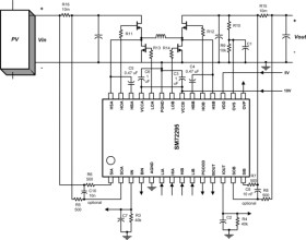
The SM72295 is designed to drive 4 discrete N type MOSFET’s in a full bridge configuration. The drivers provide 3A of peak current for fast efficient switching and integrated high speed bootstrap diodes. Current sensing is provided by 2 transconductance amplifiers with externally programmable gain and filtering to remove ripple current to provide average current information to the control circuit. The current sense amplifiers have buffered outputs available to provide a low impedance interface to an A/D converter if needed. An externally programmable input over voltage comparator is also included to shutdown all outputs. Under voltage lockout with a PGOOD indicator prevents the drivers from operating if VCC is too low.
Elecena nie prowadzi sprzedaży elementów elektronicznych, ani w niej nie pośredniczy.
Produkt pochodzi z oferty sklepu Texas Instruments