elecena.pl

GaAS MMIC 6 Bit Digital Phase Shifters, 1.2 - 1.4 GHz

Analog Devices

GaAS MMIC 6 Bit Digital Phase Shifters, 1.2 - 1.4 GHz RSS Sample
  • Darmowa próbka
MPN:
HMC936A
Producent:
ANALOG DEVICES
Dodany do bazy:
Ostatnio widziany:

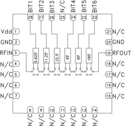
The HMC936ALP6E is a 6-bit digital phase shifter which is rated from 1.2 to 1.4 GHz, providing 360 degrees of phase coverage, with a LSB of 5.625 degrees. The HMC936ALP6E features very low RMS phase error of 1.2 degrees and extremely low inser-tion loss variation of ±0.5 dB across all phase states. This high accuracy phase shifter is controlled with positive control logic of 0/+5V and requires no negative supply voltage. The HMC936ALP6E is housed in a compact 6x6 mm plastic leadless SMT package and is internally matched to 50 Ohms with no external components.

Applications

* EW receivers

* Weather and military radar

* Satellite communications

* Beamforming modules

* Phase cancellation

* Low RMS phase error: 1.2°

* Low insertion loss: 5 dB

* High linearity: +45 dBm

* Positive control logic

* 360° coverage, LSB = 5.625°

* 28 lead 6x6 mm SMT package: 36mm2

Elecena nie prowadzi sprzedaży elementów elektronicznych, ani w niej nie pośredniczy.

Produkt pochodzi z oferty sklepu