elecena.pl

Automotive 16 channel Full diagnostics constant current RGB LED driver

Texas Instruments

Automotive 16 channel Full diagnostics constant current RGB LED driver RSS Sample
  • Darmowa próbka
MPN:
TLC6C5716-Q1
Producent:
TEXAS INSTRUMENTS
Dodany do bazy:
Ostatnio widziany:

There are automotive applications for indicators and for LCD local-dimming backlighting. For these applications, more persons think multi-channel constant-current LED drivers are necessary. The requirement is to get the same intensity and color temperature of LEDs. For system-level safety, it is necessary that the LED drivers can sense faults.

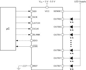
The TLC6C5716-Q1 device is an automotive 16-channel constant-current RGB LED driver that can do tests on the LEDs. The TLC6C5716-Q1 device supplies a maximum of 50-mA output current set by an external resistor. The device has a 7-bit dot correction with two ranges for each output. The device also has an 8-bit intensity control for the outputs of each color group.

A 12-,10-, or 8-bit grayscale control adjusts the intensity of each output. The device has circuits that sense faults in the system, including LED faults, adjacent-pin short faults, reference-resistor faults, and more. A slew rate control has 2 positions for adjustment to get the largest decrease in system noise. There is an interval between the changes of output level from one LED group to a different one. This interval helps to decrease the starting electrical current. The SDI and SDO pins let more than one device be connected in series for control through 1 serial interface.

Elecena nie prowadzi sprzedaży elementów elektronicznych, ani w niej nie pośredniczy.

Produkt pochodzi z oferty sklepu