elecena.pl

Address 2 I2C 1-4 cell NVDC Buck-Boost battery charge controller with USB type C PD support

Texas Instruments

Address 2 I2C 1-4 cell NVDC Buck-Boost battery charge controller with USB type C PD support RSS Sample
  • Darmowa próbka
MPN:
BQ25713B
Producent:
TEXAS INSTRUMENTS
Dodany do bazy:
Ostatnio widziany:

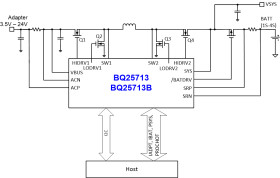
This device is a synchronous NVDC buck-boost battery charge controller, offering a low component count, high efficiency solution for space constrained, 1s-4s battery charging applications.

The NVDC configuration allows the system to be regulated at battery voltage, but not drop below system minimum voltage. The system keeps operating even when the battery is completely discharged or removed. When load power exceeds input source rating, the battery goes into supplement mode and prevents the system from crashing.

The BQ25713/BQ25713B charges battery from a wide range of input sources including USB adapter, high voltage USB PD sources and traditional adapters.

During power up, the charger sets converter to buck, boost or buck-boost configuration based on input source and battery conditions. The charger automatically transits among buck, boost and buck-boost configuration without host control.

In the absence of an input source, the BQ25713/BQ25713B supports USB On-the-Go (OTG) function from 1- to 4-cell battery to generate adjustable 3 V to 20.8 V on VBUS with 8 mV resolution. The OTG output voltage transition slew rate can be configurable, which is complied with the USB PD 3.0 PPS specifications.

When only battery powers the system and no external load is connected to the USB OTG port, the BQ25713/BQ25713B supports the Vmin Active Protection (VAP) feature, in which the device charges up the VBUS voltage from the battery to store some energy in the input decoupling capacitors. During the system peak power spike, the huge current drawing from the battery creates a larger voltage drop across the impedance from the battery to the system. The energy stored in the input capacitors will supplement the system, to prevent the system voltage from dropping below the minimum system voltage and causing the system crash. This Vmin Active Protection (VAP) is designed to absorb system power peaks during periods of SOC high power demand, which is highly recommended by Intel for the platforms with 1S~2S battery.

The BQ25713/BQ25713B monitors adapter current, battery current and system power. The flexibly programmed PROCHOT output goes directly to CPU for throttle back when needed.

Elecena nie prowadzi sprzedaży elementów elektronicznych, ani w niej nie pośredniczy.

Produkt pochodzi z oferty sklepu