elecena.pl

4.5-V to 24-V input, 3-A output synchronous buck converter

Texas Instruments

4.5-V to 24-V input, 3-A output synchronous buck converter RSS Sample
  • Darmowa próbka
MPN:
TPS56339
Producent:
TEXAS INSTRUMENTS
Dodany do bazy:
Ostatnio widziany:

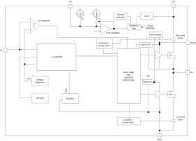
The TPS56339 is a 4.5-V to 24-V input voltage range, 3-A synchronous buck converter. The device includes two integrated switching MOSFETs, internal loop compensation and 5-ms internal soft-start to reduce component count. By employing the SOT-23 (6) package, the device achieves the high power density and offers small footprint on PCB.

The TPS56339 employs Advanced Emulated Current Mode (AECM) control that can get fast transient response with fixed frequency. The internal adaptive loop adjustment eliminates the need for external compensation over a wide voltage output range.

Cycle-by-cycle current limit on the high-side protects the device in current overload conditions and is enhanced by a low-side sourcing current limit which prevents current runaway. Hiccup protection will be triggered under undervoltage and thermal shutdown protections.

Elecena nie prowadzi sprzedaży elementów elektronicznych, ani w niej nie pośredniczy.

Produkt pochodzi z oferty sklepu