elecena.pl

Dual Channel 3A, 20V Monolithic Synchronous Step-Down Regulator

Analog Devices

Dual Channel 3A, 20V Monolithic Synchronous Step-Down Regulator RSS Sample
  • Darmowa próbka
MPN:
LTC3633A LTC3633A-1
Producent:
ANALOG DEVICES
Dodany do bazy:
Ostatnio widziany:
Zmiana ceny:
-100% (18.01.2025)
Poprzednia cena:
5.25

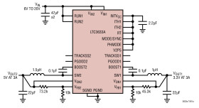
The LTC3633A is a high efficiency, dual-channel monolithic synchronous buck regulator using a controlled on-time, current mode architecture, with phase lockable switching frequency. The two channels can run 180° out of phase to relax the requirements for input and output capacitance. The operating supply voltage range is from 3.6V to 20V, making it suitable for lithium-ion battery stacks as well as point of load power supply applications from a 12V or 5V supply.

The operating frequency is programmable from 500kHz to 4MHz with an external resistor and may be synchronized to an external clock signal. The high frequency capability allows the use of small surface mount inductors and capacitors. The unique constant frequency/controlled ontime architecture is ideal for high step-down ratio applications that operate at high frequency while demanding fast transient response. An internal phase locked loop servos the on-time of the internal one-shot timer to match the frequency of the internal clock or an applied external clock.

The LTC3633A can select between forced continuous mode and high efficiency Burst Mode operation. The LTC3633A and LTC3633A-1 differ in their output voltage sense range (refer to Table 1 in the Operation section of the datasheet for a description of the entire LTC3633A product family).

Part Number

Output Voltage Sense Range

SVin Input

V2P5 Output

LTC3633 Pin Compatible

LTC3633A

0.6V TO 6V

No

Yes

Yes

LTC3633A-1

1.5V TO 12V

No

Yes

Yes

LTC3633A-2

0.6V TO 6V

Yes

No

No

LTC3633A-3

1.5V TO 12V

Yes

No

No

Applications

* Distributed Power Systems

* Battery Powered Instruments

* Point of Load Power Supplies

* 3.6V to 20V Input Voltage Range

* 3A Output Current per Channel

* Up to 95% Efficiency

* Low Duty Cycle Operation: 5% at 2.25MHz

* Selectable 0°/180° Phase Shift Between Channels

* Adjustable Switching Frequency: 500kHz to 4MHz

* External Frequency Synchronization

* Current Mode Operation for Excellent Line and Load Transient Response

* 0.6V Reference Allows Low Output Voltages

* User Selectable Burst Mode® Operation or Forced Continuous Mode Operation

Elecena nie prowadzi sprzedaży elementów elektronicznych, ani w niej nie pośredniczy.

Produkt pochodzi z oferty sklepu