elecena.pl

Ultralow Jitter, 7.5GHz, 11 Output Fanout Buffer Family

Analog Devices

Ultralow Jitter, 7.5GHz, 11 Output Fanout Buffer Family RSS Sample
  • Darmowa próbka
MPN:
LTC6955
Producent:
ANALOG DEVICES
Dodany do bazy:
Ostatnio widziany:
Zmiana ceny:
-100% (20.01.2025)
Poprzednia cena:
10.59

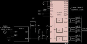
The LTC6955 is a high performance, ultralow jitter, fanout clock buffer with eleven outputs. Its 4-pin parallel control port allows for multiple output setups, enabling any number between three and eleven outputs, as well as a complete shutdown. The parallel port also provides the ability to invert the output polarity of alternating outputs, simplifying designs with top and bottom board routing. Each of the CML outputs can run from DC to 7.5GHz. The LTC6955-1 replaces one output buffer with a divideby-2 frequency divider, allowing it to drive Analog Devices’ LTC6952 or LTC6953 to generate JESD204B subclass 1 SYSREF signals. These SYSREFs can pair with ultralow jitter device clocks from the LTC6955-1, which can run at frequencies up to 7.5GHz.

Applications

* High Performance Data Converter Clocking

* SONET, Fibre Channel, GigE Clock Distribution

* Low Skew and Jitter Clock and Data Fanout

* Wireless and Wired Communications

* Single-Ended to Differential Conversion

* LTC6955: 11 Output Buffer

* LTC6955-1: 10 Buffered Outputs and One ÷2 Output

* Additive Output Jitter ~45fs RMS (ADC SNR Method)

* Additive Output Jitter < 5fs RMS

* (Integration BW = 12kHz to 20MHz, f = 7.5GHz)

Elecena nie prowadzi sprzedaży elementów elektronicznych, ani w niej nie pośredniczy.

Produkt pochodzi z oferty sklepu