elecena.pl

18 bit, 1 MSPS, 4 channel, Pseudo bipolar, differential ADC with onboard ADC driver OPA

Texas Instruments

18 bit, 1 MSPS, 4 channel, Pseudo bipolar, differential ADC with onboard ADC driver OPA RSS Sample
  • Darmowa próbka
MPN:
ADS8284
Producent:
TEXAS INSTRUMENTS
Dodany do bazy:
Ostatnio widziany:

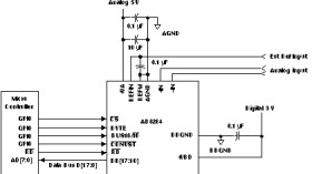
The ADS8284 is a high-performance analog system-on-chip (SoC) device with an 18-bit, 1-MSPS A/D converter, 4-V internal reference, an on-chip ADC driver (OPA), and a 4-channel differential multiplexer. The channel count of the multiplexer and auto/manual scan modes of the device are user selectable.

The ADC driver is designed to leverage the very high noise performance of the differential ADC at optimum power usage levels.

The ADS8284 outputs a buffered reference signal for level shifting of a ±4-V bipolar signal with an external resistance divider. A Vref/2 output signal is available to set the common-mode of a signal conditioning circuit. The device also includes an 18-/16-/8-bit parallel interface.

The ADS8284 is available in a 9 mm × 9 mm, 64-pin QFN package and is characterized from -40°C to 85°C.

For all available packages, see the orderable addendum at the end of the data sheet.

Elecena nie prowadzi sprzedaży elementów elektronicznych, ani w niej nie pośredniczy.

Produkt pochodzi z oferty sklepu