I2C 1cell 1.25A Buck battery charger with OTG and Vovp=6.5V
Texas Instruments
RSS
Sample
- Darmowa próbka
- MPN:
- BQ24153
- Producent:
- TEXAS INSTRUMENTS
- Dodany do bazy:
- Ostatnio widziany:
Sugerowane produkty dla bq24153
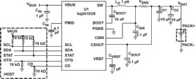
The bq24153/6/8 is a compact, flexible, high-efficiency, USB-friendly switch-mode charge management device for single-cell Li-ion and Li-polymer batteries used in a wide range of portable applications. The charge parameters can be programmed through an I2C interface. The IC integrates a synchronous PWM controller, power MOSFETs, input current sensing, high-accuracy current and voltage regulation, and charge termination, into a small WCSP package.
The IC charges the battery in three phases: conditioning, constant current and constant voltage. The input current is automatically limited to the value set by the host. Charge is terminated based on battery voltage and user-selectable minimum current level. A safety timer with reset control provides a safety backup for I2C interface. During normal operation, The IC automatically restarts the charge cycle if the battery voltage falls below an internal threshold and automatically enters sleep mode or high impedance mode when the input supply is removed. The charge status can be reported to the host using the I2C interface. During the charging process, the IC monitors its junction temperature (TJ) and reduces the charge current once TJ increases to about 125°C. To support USB OTG device, bq24153/8 can provide VBUS (5.05V) by boosting the battery voltage. The IC is available in 20-pin WCSP package.
Elecena nie prowadzi sprzedaży elementów elektronicznych, ani w niej nie pośredniczy.
Produkt pochodzi z oferty sklepu Texas Instruments