I2C controlled 1.5-A single cell buck battery charger with 20-mA termination and 1-A boost in WCSP
Texas Instruments
RSS
Sample
Przejdź do sklepu »
- Darmowa próbka
- MPN:
- BQ25618
- Producent:
- TEXAS INSTRUMENTS
- Dodany do bazy:
- Ostatnio widziany:
Sugerowane produkty dla bq25618
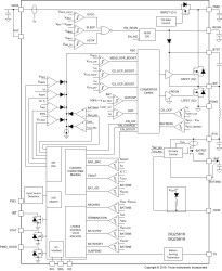
The BQ25618/619 integrates charge, boost converter and voltage protection in a single device. It offers the industrys lowest termination current for switching chargers to charge wearable devices by full battery capacity. The BQ25618/619 best-in-class low quiescent current reduces battery leakage down to 6uA in Ship mode, which conserves battery energy to double the shelf life for the device. The BQ25619 is in a 4mm × 4mm QFN package for easy layout. The BQ25618 is in a 2.0mm × 2.4mm WCSP package for space limited design.
Elecena nie prowadzi sprzedaży elementów elektronicznych, ani w niej nie pośredniczy.
Produkt pochodzi z oferty sklepu Texas Instruments