elecena.pl

40-V max sensored trapezoidal control, 3-phase BLDC smart gate driver

Texas Instruments

40-V max sensored trapezoidal control, 3-phase BLDC smart gate driver RSS Sample
  • Darmowa próbka
MPN:
DRV8306
Producent:
TEXAS INSTRUMENTS
Dodany do bazy:
Ostatnio widziany:

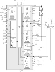
The DRV8306 device is an integrated gate driver for 3-phase brushless DC (BLDC) motor applications. The device provides three half-bridge gate drivers, each capable of driving high-side and low-side N-channel power MOSFETs. The DRV8306 device generates the proper gate drive voltages using an integrated charge pump for the high-side MOSFETs and a linear regulator for the low-side MOSFETs. The smart gate drive architecture supports up to 150-mA source and 300-mA sink peak gate drive current and 15-mA rms gate drive current capability.

The device provides an internal 120° commutation for the trapezoidal BLDC motor. The DRV8306 device has three Hall comparators which use the input from the Hall elements for internal commutation. The duty cycle ratio of the phase voltage of the motor can be adjusted through the PWM pin. Additional brake (nBRAKE) and direction (DIR) pins are provided for braking and setting the direction of the BLDC motor. A 3.3-V, 30-mA low-dropout (LDO) regulator is provided to supply the external controller and Hall elements. An additional FGOUT signal is provided which is a measure of the commutation frequency. This signal can be used for implementing the closed-loop control of BLDC motor.

A low-power sleep mode is provided to achieve low quiescent current draw by shutting down most of the internal circuitry. Internal protection functions are provided for undervoltage lockout, charge pump fault, MOSFET overcurrent, MOSFET short circuit, gate driver fault, and overtemperature. Fault conditions are indicated on the nFAULT pin.

Elecena nie prowadzi sprzedaży elementów elektronicznych, ani w niej nie pośredniczy.

Produkt pochodzi z oferty sklepu