elecena.pl

EMC protected, 50-Mbps, half-duplex, 5-kVrms isolated RS-485 & RS-422 transceiver

Texas Instruments

EMC protected, 50-Mbps, half-duplex, 5-kVrms isolated RS-485 & RS-422 transceiver RSS Sample
  • Darmowa próbka
MPN:
ISO1450
Producent:
TEXAS INSTRUMENTS
Dodany do bazy:
Ostatnio widziany:

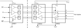
The ISO14xx devices are galvanically-isolated differential line transceivers for TIA/EIA RS-485 and RS-422 applications. These noise-immune transceivers are designed to operate in harsh industrial environments. The bus pins of these devices can endure high levels of IEC electrostatic discharge (ESD) and IEC electrical fast transient (EFT) events which eliminates the need for additional components on bus for system-level protection. The devices are available for both basic and reinforced isolation (see Reinforced and Basic Isolation Options).

Elecena nie prowadzi sprzedaży elementów elektronicznych, ani w niej nie pośredniczy.

Produkt pochodzi z oferty sklepu