elecena.pl

1.5A Fixed / Adjustable Output Linear Regulator

Texas Instruments

1.5A Fixed / Adjustable Output Linear Regulator RSS Sample
  • Darmowa próbka
MPN:
LM1086-MIL
Producent:
TEXAS INSTRUMENTS
Dodany do bazy:
Ostatnio widziany:

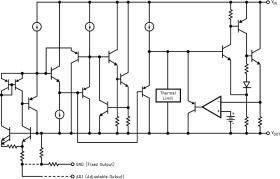
The LM1086-MIL is a regulator with a maximum dropout of 1.5 V at 1.5 A of load current. The device has the same pin-out as TI’s industry standard LM317.

Two resistors are required to set the output voltage of the adjustable output voltage version of the LM1086-MIL. Fixed output voltage versions integrate the adjust resistors. Typically, no input capacitor is needed unless the device is situated more than 6 inches from the input filter capacitors. Output capacitor can be replaced with ceramic and appropriate ESR.

The LM1086-MIL circuit includes a zener trimmed bandgap reference, current limiting, and thermal shutdown. Because the LM1086-MIL regulator is floating and detects only the input-to-output differential voltage, supplies of several hundred volts can be regulated as long as the maximum input-to-output differential is not exceeded. Exceeding the maximum input-to-output deferential will result in short-circuiting the output. By connecting a fixed resistor between the adjustment pin and output, the LM1086-MIL can be also used as a precision current regulator.

For applications requiring greater output current, refer to LM1084 for the 5-A version, and the LM1085 for the 3-A version.

Elecena nie prowadzi sprzedaży elementów elektronicznych, ani w niej nie pośredniczy.

Produkt pochodzi z oferty sklepu