elecena.pl

Half-bridge PWM controller with integrated auxiliary bias supply and regulated pre-biased start-up

Texas Instruments

Half-bridge PWM controller with integrated auxiliary bias supply and regulated pre-biased start-up RSS Sample
  • Darmowa próbka
MPN:
LM5036
Producent:
TEXAS INSTRUMENTS
Dodany do bazy:
Ostatnio widziany:

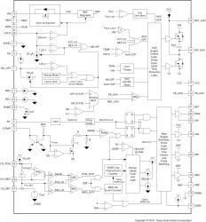
The LM5036 PWM controller, with integrated auxiliary bias supply, offers high power density for industrial isolated power applications. It contains all the features necessary to implement half-bridge power converters, using voltage-mode control, with input voltage feed-forward. This controller is intended to operate on the primary side of an isolated converter with DC input voltage up to 100 V. The controller includes features that improve power density and reliability while reducing system cost:

* An integrated fly-buck converter as auxiliary bias supply. Provides bias power for both primary and secondary circuits, with a minimum of external components. * Fully regulated pre-bias start-up. Eliminates output voltage over-shoot or dips even when starting into a pre-charged output capacitor. * Enhanced cycle-by-cycle peak current limit with pulse matching. The controller limits both positive and negative current. Pulse matching ensures equal pulse width for low and high side devices, to avoid transformer saturation. Output current limit is approximately constant across the full range of input voltage.

Elecena nie prowadzi sprzedaży elementów elektronicznych, ani w niej nie pośredniczy.

Produkt pochodzi z oferty sklepu