elecena.pl

Automotive 1.5-V to 42-V VIN, low IQ boost controller with 6V, 6.5V, 9.5V, 11.5V output options

Texas Instruments

Automotive 1.5-V to 42-V VIN, low IQ boost controller with 6V, 6.5V, 9.5V, 11.5V output options RSS Sample
  • Darmowa próbka
MPN:
LM51501-Q1
Producent:
TEXAS INSTRUMENTS
Dodany do bazy:
Ostatnio widziany:

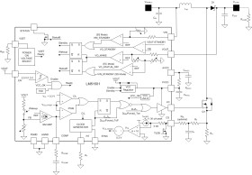
The LM51501-Q1 is a wide input range automatic boost controller. The device can be used to maintain a stable output voltage during automotive cranking from a vehicle battery or from a backup battery.

The LM51501-Q1 switching frequency is programmed by a resistor from 220 kHz to 2.3 MHz. Fast switching (≥ 2.2 MHz) minimizes AM band interference and allows for a small solution size and fast transient response.

The LM51501-Q1 operates in low IQ standby mode when the input or output voltage is above the preset standby thresholds and automatically wakes up when the output voltage drops below the preset wake-up threshold.

The device transitions in and out of low IQ standby mode to extend battery life at light load. A single resistor programs the target output regulation voltage as well as the configuration. Additional features include low shutdown current, boost status indicator, adjustable cycle-by-cycle current limit, and thermal shutdown. A status indicator can be used to control a circuit to bypass the diode when the part is not boosting in order to reduce power dissipation. In E-call mode, the device can be used to control a disconnect switch to protect the backup-battery.

Elecena nie prowadzi sprzedaży elementów elektronicznych, ani w niej nie pośredniczy.

Produkt pochodzi z oferty sklepu