Ultra low-noise clock jitter cleaner with dual loop PLLs
Texas Instruments
RSS
Sample
- Darmowa próbka
- MPN:
- LMK04228
- Producent:
- TEXAS INSTRUMENTS
- Dodany do bazy:
- Ostatnio widziany:
Sugerowane produkty dla lmk04228
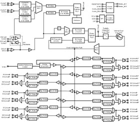
The LMK04228 device is the industrys high performance clock conditioner with JEDEC JESD204B support.
The 14 clock outputs from PLL2 can be configured to drive seven JESD204B converters or other logic devices using device and SYSREF clocks. SYSREF can be provided using both DC and AC coupling. Not limited to JESD204B applications, each of the 14 outputs can be individually configured as high performance outputs for traditional clocking systems.
The high performance combined with features like the ability to trade off between power or performance, dual VCOs, holdover, and per-output adjustable analog and digital delay make the LMK04228 ideal for providing flexible high performance clocking trees.
Elecena nie prowadzi sprzedaży elementów elektronicznych, ani w niej nie pośredniczy.
Produkt pochodzi z oferty sklepu Texas Instruments