elecena.pl

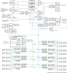
Ultra-low-noise, 3.2-GHz, 15-output, JESD204B clock jitter cleaner with dual loop

Texas Instruments

The LMK04832 is an ultra-high performance clock conditioner with JEDEC JESD204B support and is also pin compatible with the LMK0482x family of devices.

The 14 clock outputs from PLL2 can be configured to drive seven JESD204B converters or other logic devices using device and SYSREF clocks. SYSREF can be provided using both DC and AC coupling. Not limited to JESD204B applications, each of the 14 outputs can be individually configured as high performance outputs for traditional clocking systems.

The LMK04832 can be configured for operation in dual PLL, single PLL, or clock distribution modes with or without SYSREF generation or reclocking. PLL2 may operate with either internal or external VCO.

The high performance combined with features like the ability to trade off between power and performance, dual VCOs, dynamic digital delay, and holdover make the LMK04832 ideal for providing flexible high performance clocking trees.

Elecena nie prowadzi sprzedaży elementów elektronicznych, ani w niej nie pośredniczy.

Produkt pochodzi z oferty sklepu