elecena.pl

Externally modulated laser driver with integrated clock & data recovery (CDR)

Texas Instruments

Externally modulated laser driver with integrated clock & data recovery (CDR) RSS Sample
  • Darmowa próbka
MPN:
ONET1131EC
Producent:
TEXAS INSTRUMENTS
Dodany do bazy:
Ostatnio widziany:

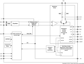
The ONET1131EC is a 2.5-V EML modulator driver with transmit clock and data recovery (CDR) designed to operate between 9.8 Gbps and 11.7 Gbps without the need for a reference clock. CDR bypass mode can be used for operation at lower data rates and a two-wire serial interface allows digital control of features like output polarity select and input equalization.

The transmit path consists of an adjustable input equalizer for equalization of up to 300 mm (12 inches) of microstrip or stripline transmission line of FR4 printed circuit boards, a multi-rate CDR and an output modulator driver. Output waveform control, in the form of cross-point adjustment and de-emphasis, is available to improve the optical eye mask margin. The device provides bias current for the laser and an integrated automatic power control (APC) loop to compensate for variations in average optical power over voltage, temperature and time.

The ONET1131EC contains internal analog to digital and digital to analog converters to support transceiver management and eliminate the need for special purpose microcontrollers.

Elecena nie prowadzi sprzedaży elementów elektronicznych, ani w niej nie pośredniczy.

Produkt pochodzi z oferty sklepu