elecena.pl

PGA300 Signal Conditioner and Transmitter for Pressure Sensors

Texas Instruments

PGA300 Signal Conditioner and Transmitter for Pressure Sensors RSS Sample
  • Darmowa próbka
MPN:
PGA300
Producent:
TEXAS INSTRUMENTS
Dodany do bazy:
Ostatnio widziany:

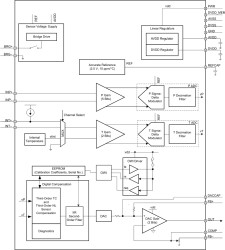
The PGA300 provides an interface for piezoresistive and strain-gauge pressure-sense elements. The device is a full system-on-chip (SoC) solution that incorporates a programmable analog front-end (AFE), ADC, and digital signal processing that enable direct connection to the sense element. Further, the PGA300 includes integrated voltage regulators and an oscillator, thus minimizing the number of external components. The device achieves high accuracy by employing third-order temperature and nonlinearity compensation. External communication is achieved by using a one-wire serial interface (OWI) through the power-supply pin to simplify the system calibration process. An Integrated DAC supports absolute-voltage, ratiometric-voltage, and 4mA to 20mA current-loop outputs.

Elecena nie prowadzi sprzedaży elementów elektronicznych, ani w niej nie pośredniczy.

Produkt pochodzi z oferty sklepu