Automotive, 315-W, 2-ch, 18- to 53.5-V supply analog input Class-D audio amplifier
Texas Instruments
RSS
Sample
- Darmowa próbka
- MPN:
- TPA3255-Q1
- Producent:
- TEXAS INSTRUMENTS
- Dodany do bazy:
- Ostatnio widziany:
Sugerowane produkty dla unclipped
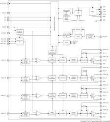
TPA3255-Q1 is a high performance class-D power amplifier that enables true premium sound quality with class-D efficiency. It features an advanced integrated feedback design and proprietary high-speed gate driver error correction (PurePath™ Ultra-HD). This technology allows ultra low distortion across the audio band and superior audio quality. The device is operated in AD-mode, and can drive up to 2 x 315 W into 4-Ω load at 10% THD and 2 x 150 W unclipped into 8-Ω load and features a 2-VRMS analog input interface that works seamlessly with high performance DACs such as TIs PCM5242. In addition to excellent audio performance, TPA3255-Q1 achieves both high power efficiency and very low power stage idle losses below 2.5W. This is achieved through the use of 85-mΩ MOSFETs and an optimized gate driver scheme that achieves significantly lower idle losses than typical discrete implementations.
Elecena nie prowadzi sprzedaży elementów elektronicznych, ani w niej nie pośredniczy.
Produkt pochodzi z oferty sklepu Texas Instruments