elecena.pl

Serial interface controlled 9-ch motor driver for optical disk drive

Texas Instruments

Serial interface controlled 9-ch motor driver for optical disk drive RSS Sample
  • Darmowa próbka
MPN:
TPIC2060A
Producent:
TEXAS INSTRUMENTS
Dodany do bazy:
Ostatnio widziany:

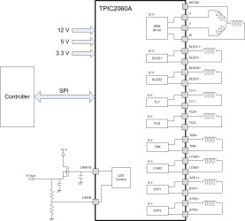
The TPIC2060A is a low-noise motor driver IC suitable for 12-V ODD. The 9-channel driver IC controlled by a serial interface is optimized for driving a spindle motor, a sled motor (stepping motor applicable), a load motor, focus / tracking / tilt actuators, and stepping motor for collimator lens.

This IC has an integrated current sense resistance that measures SPM current, which reduces drive system costs. The spindle motor driver part builds in sensorless logic, which attains low-noise operation at the start and run times. The user does not need to self-start the device using the starting circuit or perform position detection by BEMF of a motor or sensors such as a Hall device. As the output stage of all channels works in efficient PWM driving, the user can attain low-power operation by PWM control. Dead-zone-less control is possible for a focus / tracking / tilt actuator driver. In addition, the spindle part output current limiting circuit, the thermal shutdown circuit, the sled-end detection circuit, collimator-lens-end detection circuit, actuator protection, and pre-driver for a 9-V LDO are built in. The newly added, built-in thermometer measures IC temperature.

Elecena nie prowadzi sprzedaży elementów elektronicznych, ani w niej nie pośredniczy.

Produkt pochodzi z oferty sklepu