elecena.pl

IEEE 802.3bt PoE high-power PD interface with automatic MPS & autoclass

Texas Instruments

IEEE 802.3bt PoE high-power PD interface with automatic MPS & autoclass RSS Sample
  • Darmowa próbka
MPN:
TPS2372
Producent:
TEXAS INSTRUMENTS
Dodany do bazy:
Ostatnio widziany:

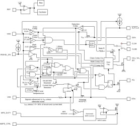
The TPS2372 contains all of the features needed to implement an IEEE802.3at or IEEE802.3bt (draft) (Type 1-4) powered device (PD). The low internal switch resistance allows the TPS2372-4 and TPS2372-3 to support high power applications up to 90 W and 60 W respectively. Assuming 100-meter CAT5 cable, this translates into 71.3 W and 51 W at PD input.

The TPS2372 operates with enhanced features.

The Automatic MPS function enables applications requiring very low power standby modes. The TPS2372 automatically generates the necessary pulsed current to maintain the PSE power. An external resistor is used to enable this functionality and to program the MPS pulsed current amplitude.

The TPS2372 also implements a delay function to allow the remote PSE to complete its inrush phase before releasing the Power Good (PG) output. This ensures that the IEEE802.3bt (draft) startup requirements are met.

The Autoclass enable input also allows advanced system power optimization modes compliant with IEEE802.3bt (draft) standard.

Elecena nie prowadzi sprzedaży elementów elektronicznych, ani w niej nie pośredniczy.

Produkt pochodzi z oferty sklepu