elecena.pl

IEEE 802.3at PoE PD with no-opto sync flyback DC-DC controller

Texas Instruments

IEEE 802.3at PoE PD with no-opto sync flyback DC-DC controller RSS Sample
  • Darmowa próbka
MPN:
TPS23758
Producent:
TEXAS INSTRUMENTS
Dodany do bazy:
Ostatnio widziany:

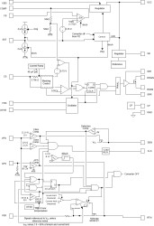
The TPS23758 device combines a Power over Ethernet (PoE) powered device (PD) interface, a 150-V switching power FET, and a current-mode DC-DC controller optimized for flyback topology. The high level of integration along with primary side regulation (PSR), spread spectrum frequency dithering (SSFD), and advanced startup makes the TPS23758 an ideal solution for size-constrained applications. The PoE implementation supports the IEEE 802.3at standard as a 13-W, Type 1 PD.

The PSR feature of the DC-DC controller uses feedback from an auxiliary winding for control of the output voltage, eliminating the need for external shunt regulator and optocoupler. It is optimized for operation in continuous conduction mode (CCM) with secondary side synchronous rectification, resulting in optimum overall efficiency, regulation accuracy and step load response over multiple outputs (for example 5-V and 3.3-V output). Typically, the converter operates at a switching frequency of 250 kHz.

SFFD and slew rate control helps to minimize the size and cost of the EMI filter. Advanced Startup allows the use of minimal bias capacitor while simplifying converter startup and hiccup design.

Primary auxiliary power detect (APD) pin can be used to provide priority for a primary side power adapter.

The DC-DC controller features adjustable soft-start, slope compensation, and blanking. For non-isolated applications, the buck topology is also supported by the TPS23758.

Elecena nie prowadzi sprzedaży elementów elektronicznych, ani w niej nie pośredniczy.

Produkt pochodzi z oferty sklepu