elecena.pl

Automotive USB Type-C™ DFP controller and power switch

Texas Instruments

Automotive USB Type-C™ DFP controller and power switch RSS Sample
  • Darmowa próbka
MPN:
TPS25810A-Q1
Producent:
TEXAS INSTRUMENTS
Dodany do bazy:
Ostatnio widziany:

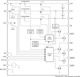
The TPS25810A-Q1 device is a USB Type-C downstream-facing port (DFP) controller with an integrated 3-A rated USB power switch. The device monitors the Type-C configuration channel (CC) lines to determine when a USB device is attached. If an upstream-facing port (UFP) device is attached, it applies power to VBUS and communicate the selectable VBUS current-sourcing capability to the UFP via the pass-through CC line. If the UFP is attached using an electronically marked cable, it also applies VCONN power to the cable CC pin. The TPS25810A-Q1 can identify and report when Type-C audio or debug accessories are attached.

The TPS25810A-Q1 device draws less than 0.7 µA (typical) from the AUX pin when no USB load is connected. Additional system power saving is achievable in the S4 and S5 system power states by using the UFP output to disable the high-power 5-V supply when no UFP is attached. In this mode, the device is capable of running from an auxiliary supply (AUX), which can be a lower-voltage supply (3.3 V), typically powering the system microcontroller in low-power states (S4 and S5).

The TPS25810A-Q1 device integrates a 34-mΩ power switch with a fixed 3.4-A current limit independent of the Type-C current advertisement level. The FAULT output signals when the switch is in an overcurrent or overtemperature condition. The CS output is used for implementing digital cable compensation for load currents greater than 1.95 A. Cable compensation, also known as line drop compensation, is a means of offsetting voltage droop from the USB power supply to the UFP load.

Elecena nie prowadzi sprzedaży elementów elektronicznych, ani w niej nie pośredniczy.

Produkt pochodzi z oferty sklepu