elecena.pl

4.5-V to 28-V, dual-channel synchronous buck controller with 100-mA LDOs and Out-of-Audio™

Texas Instruments

4.5-V to 28-V, dual-channel synchronous buck controller with 100-mA LDOs and Out-of-Audio™ RSS Sample
  • Darmowa próbka
MPN:
TPS51125
Producent:
TEXAS INSTRUMENTS
Dodany do bazy:
Ostatnio widziany:

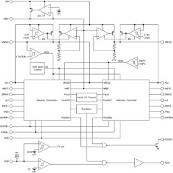
The TPS51125 is a cost-effective, dual-synchronous buck controller targeted for notebook system power supply solutions. The device provides 5-V and 3.3-V LDOs and requires few external components. The 270-kHz VCLK output can be used to drive an external charge pump, thus generating gate drive voltage for the load switches without reducing the efficiency of the main converter. The TPS51125 supports high-efficiency, fast-transient response and provides a combined power-good signal. Out-of-Audio mode light-load operation enables low acoustic noise at much higher efficiency than conventional forced PWM operation. Adaptive on-time D-CAP control provides convenient and efficient operation. The part operates with supply input voltages ranging from 5.5 V to 28 V and supports output voltages from 2 V to 5.5 V. The TPS51125 is available in a 24-pin QFN package and is specified from –40°C to 85°C ambient temperature range.

Elecena nie prowadzi sprzedaży elementów elektronicznych, ani w niej nie pośredniczy.

Produkt pochodzi z oferty sklepu