elecena.pl

3-V to 26-V, 20-A, synchronous D-CAP buck controller with eco-mode

Texas Instruments

3-V to 26-V, 20-A, synchronous D-CAP buck controller with eco-mode RSS Sample
  • Darmowa próbka
MPN:
TPS53119
Producent:
TEXAS INSTRUMENTS
Dodany do bazy:
Ostatnio widziany:

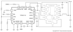
The TPS53119 device is a small-sized single buck controller with adaptive ON-time D-CAP mode control. The device is designed for low output voltage, high current, PC system power rail and similar point-of-load (POL) power supplies in digital consumer products. The small package and minimal pin count save space on the PCB, while the dedicated EN pin and pre-set frequency selections simplify the power supply design. The skip mode at light load conditions, strong gate drivers, and low-side FET RDS(on) current sensing supports low loss and high efficiency over a broad load range. The conversion input voltage (high-side FET drain voltage) range is between 4.5 V and 25 V, and the output voltage range is between 0.6 V and 5.5 V. The TPS53119 is available in a 16-pin VQFN package specified from –20°C to +85°C.

Elecena nie prowadzi sprzedaży elementów elektronicznych, ani w niej nie pośredniczy.

Produkt pochodzi z oferty sklepu