elecena.pl

2-V to 36-V, 1-A output, 2-MHz, 5-V or 12-V fixed output voltage, step-up and step-down converter

Texas Instruments

2-V to 36-V, 1-A output, 2-MHz, 5-V or 12-V fixed output voltage, step-up and step-down converter RSS Sample
  • Darmowa próbka
MPN:
TPS55165-Q1
Producent:
TEXAS INSTRUMENTS
Dodany do bazy:
Ostatnio widziany:

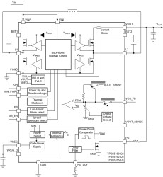
The TPS5516x-Q1 family of devices is a high-voltage synchronous buck-boost DC-DC converter. The device provides a stable power-supply output from a wide varying input-power supply such as an automotive car battery. The buck-boost overlap control ensures automatic transition between step-down and step-up mode with optimal efficiency. The TPS55165-Q1 output voltage can be set to a fixed level of 5 V or 12 V. The TPS55160-Q1 and TPS55162-Q1 devices have a configurable output voltage ranging from 5.7 V to 9 V that is set by an external resistive divider.

Output currents can be as high as 1 A for a normal car battery voltage, and can be maintained at 0.4 A for lower input voltages, such as those for common battery-cranking profiles. The buck-boost converter is based on a fixed-frequency, pulse-width-modulation (PWM) control circuit using synchronous rectification to obtain maximum efficiency. The switching frequency is set to 2 MHz (typical) which allows for the usage of a small inductor that uses less board space.

Elecena nie prowadzi sprzedaży elementów elektronicznych, ani w niej nie pośredniczy.

Produkt pochodzi z oferty sklepu