elecena.pl

Automotive 3.6V to 36V, 3.2A buck converter with auto-sourced 280mA LDO regulator

Texas Instruments

Automotive 3.6V to 36V, 3.2A buck converter with auto-sourced 280mA LDO regulator RSS Sample
  • Darmowa próbka
MPN:
TPS65320D-Q1
Producent:
TEXAS INSTRUMENTS
Dodany do bazy:
Ostatnio widziany:

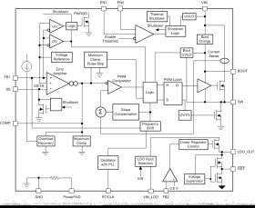
The TPS65320D-Q1 device is a combination of a high-VIN DC-DC step-down converter, referred to as the buck regulator, with an adjustable switch-mode frequency from 100-kHz to 2.5-MHz, and a high-VIN 280-mA low-dropout (LDO) regulator. The input range is 3.6 V to 36 V for the buck regulator, and 3 V to 36 V for the LDO regulator. The buck regulator has an integrated high-side MOSFET. The LDO regulator features a low-input supply current of 45-µA typical in no-load, also has an integrated MOSFET with an active-low, push-pull reset output pin. The input supply of the LDO regulator auto-source from the output of the buck regulator when it is in operation. Low-voltage tracking feature enables TPS65320D-Q1 to track the input supply during cold-crank conditions.

The buck regulator provides a flexible design to fit system needs. The external loop compensation circuit allows for optimization of the converter response for the appropriate operating conditions. A low-ripple pulse-skip mode reduces the no-load input-supply current to maximum 140 µA.

The device has built-in protection features such as soft start, current-limit, thermal sensing and shutdown due to excessive power dissipation. Furthermore, the device has an internal undervoltage-lockout (UVLO) function that turns off the device when the supply voltage is too low.

Elecena nie prowadzi sprzedaży elementów elektronicznych, ani w niej nie pośredniczy.

Produkt pochodzi z oferty sklepu