8V-14V input, 120A + 40A dual output PMBus module with AVS and monitoring
Texas Instruments
RSS
Sample
- Darmowa próbka
- MPN:
- TPSM831D31
- Producent:
- TEXAS INSTRUMENTS
- Dodany do bazy:
- Ostatnio widziany:
Sugerowane produkty dla tpsm831d31
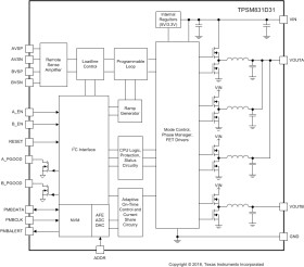
The TPSM831D31 is a PMBus™-controlled, dual-output, 4-phase power module that combines a high-performance D-CAP+™ controller with four high-efficiency Smart Power Stages, and low-loss inductors, into a rugged, thermally enhanced surface-mount package. The user supplies the input and output capacitors and a few passive components to complete the system. The first output is a 3-phase power stage that can deliver up to 120 A of continuous output current. The second output is a single phase power stage that can deliver up to 40 A of output current.
The PMBus interface provides for converter configuration of each VOUT, UVLO, soft-start, overcurrent, and thermal shutdown parameters. The interface provides support for telemetry that can report the actual input voltage, output voltage, output current, and device temperature. The device can report input and output power. The device supports standard PMBus warning and fault functions. The device supports PMBus communication speeds up to 1 MHz, with 1.8-V or 3.3-V logic levels, as detailed in Section 4.3 of SMBus Specification V3.0. The module supports a subset of the commands in the PMBus 1.3 specification.
Elecena nie prowadzi sprzedaży elementów elektronicznych, ani w niej nie pośredniczy.
Produkt pochodzi z oferty sklepu Texas Instruments