Automotive USB Type-C DFP Port Controller
Texas Instruments
RSS
Sample
Przejdź do sklepu »
- Darmowa próbka
- MPN:
- TUSB319-Q1
- Producent:
- TEXAS INSTRUMENTS
- Dodany do bazy:
- Ostatnio widziany:
Sugerowane produkty dla tusb319
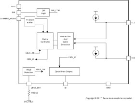
The TUSB319-Q1 is a USB Type-C Downstream Facing Port (DFP) controller. The TUSB319-Q1 monitors the USB Type-C Configuration Channel (CC) lines to determine when an USB device is attached. If an Upstream Facing Port (UFP) device is attached, the TUSB319-Q1 drives an open drain output ID that can be used in the system to apply VBUS power. The device also communicates the selectable VBUS current sourcing capability to the UFP via the CC lines.
Elecena nie prowadzi sprzedaży elementów elektronicznych, ani w niej nie pośredniczy.
Produkt pochodzi z oferty sklepu Texas Instruments