elecena.pl

6-pin high performance CRM/DCM PFC controller

Texas Instruments

6-pin high performance CRM/DCM PFC controller RSS Sample
  • Darmowa próbka
MPN:
UCC28056
Producent:
TEXAS INSTRUMENTS
Dodany do bazy:
Ostatnio widziany:

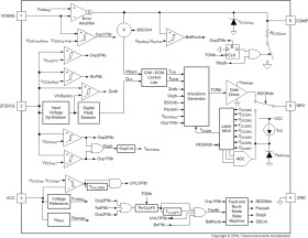
The UCC28056 device drives PFC boost stages based on an innovative mixed mode method that operates in transition mode (TM) at full load and transitions seamlessly into discontinuous conduction mode (DCM) at reduced load, automatically reducing switching frequency. This device incorporates burst mode operation to further improve light load performance, enabling systems to meet challenging energy standards while eliminating the need to switch off the PFC. UCC28056 can drive a PFC power stage up to 300 W, ensuring sinusoidal line input current with low distortion, close to unity power factor. When used with the LLC controller UCC256403/4, and dual synchronous rectifier controller UCC24624 less than 80 mW system standby power can be achieved, enabling PFC always on architecture and eliminating the need for an auxiliary converter. This with FET Drain valley turn-on with simple boost inductor allows fewest component count and reduced system cost.

Elecena nie prowadzi sprzedaży elementów elektronicznych, ani w niej nie pośredniczy.

Produkt pochodzi z oferty sklepu