elecena.pl

Configurable multi-rail PMIC for Xilinx MPSoCs and FPGAs

Texas Instruments

Configurable multi-rail PMIC for Xilinx MPSoCs and FPGAs RSS Sample
  • Darmowa próbka
MPN:
TPS650864
Producent:
TEXAS INSTRUMENTS
Dodany do bazy:
Ostatnio widziany:

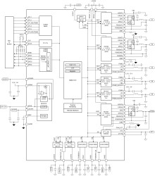
The TPS650864 device family is a single-chip power-management IC (PMIC) designed for Xilinx Zynq multiprocessor system-on-chip (MPSoCs) and field programmable gate array (FPGA) families. The TPS650864 offers an input range of 5.6V to 21V, enabling a wide range of applications (see the Device Comparison Table). The device is targeted for wall-powered applications or 2S, 3S, or 4S Li-Ion battery packs (NVDC or non-NVDC power architectures). See the Typical Application section for 5V input supplies. The D-CAP2 and DCS-Control high-frequency voltage regulators use small passives to achieve a small solution size. The D-CAP2 and DCS-Control topologies have excellent transient response performance, ideal for processor core and system memory rails that have fast load switching. An I2C interface allows simple control either by an embedded controller (EC) or by an SoC. The PMIC comes in an 8mm × 8mm, single-row VQFN package with thermal pad for good thermal dissipation.

Elecena nie prowadzi sprzedaży elementów elektronicznych, ani w niej nie pośredniczy.

Produkt pochodzi z oferty sklepu