LNA with Failsafe Bypass Mode SMT, 1700 - 2200 MHz
Analog Devices
RSS
Sample
- Darmowa próbka
- MPN:
- HMC669
- Producent:
- ANALOG DEVICES
- Dodany do bazy:
- Ostatnio widziany:
Sugerowane produkty dla hmc669lp3
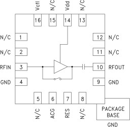
The HMC669LP3(E) is a versatile, high dynamic range GaAs MMIC Low Noise Amplifier that integrates a low loss LNA bypass mode on the IC. The amplifier is ideal for receivers and LNA modules operating between 1.7 and 2.2 GHz and provides 1.4 dB noise figure, 17 dB of gain and +29 dBm IP3 from a single supply of +5V @ 86mA. Input and output return losses are excellent and no external matching components are required. A single control line is used to switch between LNA mode and a low loss bypass mode. Failsafe topology also enables the LNA bypass path when no DC power is available.
Applications
* Cellular/3G & LTE/WiMAX/4G
* BTS & Infrastructure
* Repeaters and Femtocells
* Tower Mounted Amplifiers
* Test & Measurement Equipment
* Noise Figure: 1.4 dB
* Output IP3: +29 dBm
* Gain: 17 dB
* Failsafe Operation: Bypass is
enabled when LNA is unpowered
* Single Supply: +3V or +5V
* 16 Lead 3x3mm SMT Package: 9mm²
Elecena nie prowadzi sprzedaży elementów elektronicznych, ani w niej nie pośredniczy.
Produkt pochodzi z oferty sklepu Analog Devices