elecena.pl

12-Bit Monitor and Control System with Multichannel ADC, DACs, Temperature Sensor, and Current Sense

Analog Devices

12-Bit Monitor and Control System with Multichannel ADC, DACs, Temperature Sensor, and Current Sense RSS Sample
  • Darmowa próbka
MPN:
AD7294-2
Producent:
ANALOG DEVICES
Dodany do bazy:
Ostatnio widziany:

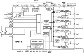
The AD7294-2 contains all the functions that are required for general-purpose monitoring and control of current, voltage, and temperature, integrated into a single-chip solution. The part includes low voltage (±200 mV) analog input sense amplifiers for current monitoring across shunt resistors, temperature sense inputs, and four uncommitted analog input channels multiplexed into a SAR analog-to-digital converter (ADC) with a 3 μs conversion time. A high accuracy internal reference is provided to drive both the digital-to-analog converters (DACs) and the ADC. Four 12-bit DACs provide the outputs for voltage control. The AD7294-2 also includes limit registers for alarm functions. The part is designed for high voltage compliance: 59.4 V on the current sense inputs and up to a 15 V DAC output voltage.

The AD7294-2 is a highly integrated solution that offers all the functionality necessary for precise control of the power amplifier in cellular base station applications. In these types of applications, the DACs provide 12-bit resolution to control the bias currents of the power transistors. Thermal diode-based temperature sensors are incorporated to compensate for temperature effects. The ADC monitors the high-side current and temperature. This functionality is provided in a 64-lead TQFP, which operates over a temperature range of −40°C to +105°C.

APPLICATIONS

* Cellular base stations GSM, EDGE, UMTS, CDMA, TD-SCDMA, W-CDMA, WiMAXM

* Point-to-multipoint and other RF transmission systems

* 12 V, 24 V, 48 V automotive applications

* Industrial controls

* 12-bit SAR ADC with 3 μs conversion time

4 uncommitted analog inputs

Differential/single-ended

VREF, 2 × VREF input ranges

* 2 high-side current sense inputs

5 V to 59.4 V operating range

0.75% maximum gain error

±200 mV input range

Elecena nie prowadzi sprzedaży elementów elektronicznych, ani w niej nie pośredniczy.

Produkt pochodzi z oferty sklepu