elecena.pl

Aerospace 0.01 GHz to 10 GHz, GaAs, pHEMT, MMIC, Low Noise Amplifier

Analog Devices

Aerospace 0.01 GHz to 10 GHz, GaAs, pHEMT, MMIC, Low Noise Amplifier RSS Sample
  • Darmowa próbka
MPN:
ADH8410S
Producent:
ANALOG DEVICES
Dodany do bazy:
Ostatnio widziany:

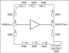
The ADH8410S is a gallium arsenide (GaAs), monolithic microwave integrated circuit (MMIC), pseudomorphic high electron mobility transistor (pHEMT), low noise wideband amplifier that operates from 0.01 GHz to 10 GHz. The ADH8410S provides a typical gain of 19.5 dB, a 1.1 dB typical noise figure, and a typical OIP3 of 33 dBm, requiring only 65 mA from a 5 V supply voltage. The saturated output power (PSAT) of up to 22.5 dBm enables the low noise amplifier (LNA) to function as a local oscillator (LO) driver for many of Analog Devices, Inc., balanced, I/Q or image rejection mixers.

The ADH8410S also features inputs/outputs (I/Os) that are internally matched to 50 Ω, making it ideal for integration into multichip modules (MCMs) supporting high reliability RF and microwave applications.

The ADH8410S is housed in a LH5 package or available as die.

APPLICATIONS

* Space Telecom

* Software defined radios

* Electronics warfare

* Radar applications

* Low noise figure: 1.1 dB typical* High gain: 19.5 dB typical* High output third-order intercept (OIP3): 33 dBm typical* 50Ω matched DC-coupled I/O* Die Size 0.95 mm x 0.61 mm x .102 mm

Elecena nie prowadzi sprzedaży elementów elektronicznych, ani w niej nie pośredniczy.

Produkt pochodzi z oferty sklepu