elecena.pl

12-Bit Successive Approximation Integrated Circuit A/D Converter

Analog Devices

12-Bit Successive Approximation Integrated Circuit A/D Converter RSS Sample
  • Darmowa próbka
MPN:
AD572
Producent:
ANALOG DEVICES
Dodany do bazy:
Ostatnio widziany:

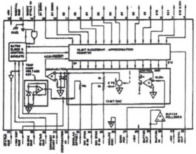
The AD572 is a complete 12-bit successive approximation analog-to-digital converter that includes an internal clock, reference, comparator, and buffer amplifier. Its hybrid IC design utilizes MSI digital and linear monolithic chips and active laser trimming of high-stability thin-film resistors to provide superior performance, flexibility and ease of use, combined with IC size, price and reliability.

* VERSATILITY

Aerospace Temperature Range:

-55°C (AD572S)

Positive-True Serial or Parallel Logic

Outputs

Short-Cycle Capability

* VALUE

Precision +10 V Reference for

External Application

Internal Buffer Amplifier

High Reliability Package

Elecena nie prowadzi sprzedaży elementów elektronicznych, ani w niej nie pośredniczy.

Produkt pochodzi z oferty sklepu