elecena.pl

GaAs MMIC I/Q Mixer 15 - 33.5 GHz

Analog Devices

GaAs MMIC I/Q Mixer 15 - 33.5 GHz RSS Sample
  • Darmowa próbka
MPN:
HMC1042
Producent:
ANALOG DEVICES
Dodany do bazy:
Ostatnio widziany:

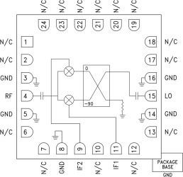
The HMC1042LC4 is a compact I/Q MMIC mixer in a leadless “Pb free” SMT package, which can be used as either an Image Reject Mixer or a Single Sideband Upconverter. The mixer utilizes two standard Hittite double balanced mixer cells and a 90 degree hybrid fabricated in a GaAs MESFET process. A low frequency quadrature hybrid was used to produce a 2000 MHz USB IF output. This product is a much smaller alternative to hybrid style Image Reject Mixers and Single Sideband Upconverter assemblies. The HMC1042LC4 eliminates the need for wire bonding and allows the use of surface mount manufacturing techniques.

Applications

* Point-to-Point Radio

* Point-to-Multi-Point Radio

* Test Equipment & Sensors

* Military End-Use

* Wide IF Bandwidth: DC - 3.5 GHz

* Image Rejection: 30 dBc

* LO to RF Isolation: 40 dB

* High Input IP3: +22 dBm

* 24 Lead 4x4 mm SMT Package: 16mm²

Elecena nie prowadzi sprzedaży elementów elektronicznych, ani w niej nie pośredniczy.

Produkt pochodzi z oferty sklepu