elecena.pl

400 MSPS 10-Bit DAC 1.8 V CMOS Direct Digital Synthesizer

Analog Devices

400 MSPS 10-Bit DAC 1.8 V CMOS Direct Digital Synthesizer RSS Sample
  • Darmowa próbka
MPN:
AD9859
Producent:
ANALOG DEVICES
Dodany do bazy:
Ostatnio widziany:
Zmiana ceny:
-100% (17.01.2025)
Poprzednia cena:
17.56

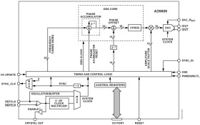
The AD9859 is a direct digital synthesizer (DDS) featuring a 10-bit DAC operating at up to 400 MSPS. The AD9859 uses advanced DDS technology, coupled with an internal high speed, high performance DAC to form a digitally programmable, complete high frequency synthesizer capable of generating a frequency-agile analog output sinusoidal waveform at up to 200 MHz. The AD9859 is designed to provide fast frequency hopping and fine tuning resolution (32-bit frequency tuning word). The frequency tuning and control words are loaded into the AD9859 via a serial I/O port.

The AD9859 is specified to operate over the extended industrial temperature range of –40°C to +105°C.

Applications

* Agile LO frequency synthesis

* Programmable clock generators

* Test and measurement equipment

* Commercial and amateur radio exciter

* 400 MSPS internal clock speed

* Integrated 10-bit DAC

* 32-bit tuning word

* Phase noise ≤ –120 dBc/Hz at 1 kHz offset (DAC output)

* Excellent dynamic performance

>75 dB SFDR at 160 MHz (±100 kHz offset) AOUT

* Serial input/output (I/O) control

* 1.8 V power supply

* Software and hardware controlled power-down

* 48-lead TQFP/EP package

* PLL REFCLK multiplier (4× to 20×)

* Internal oscillator; can be driven by a single crystal

* Phase modulation capability

* Multichip synchronization

Elecena nie prowadzi sprzedaży elementów elektronicznych, ani w niej nie pośredniczy.

Produkt pochodzi z oferty sklepu