elecena.pl

Low Noise Amplifier SMT, 1.2 - 3.0 GHz

Analog Devices

Low Noise Amplifier SMT, 1.2 - 3.0 GHz RSS Sample
  • Darmowa próbka
MPN:
HMC548
Producent:
ANALOG DEVICES
Dodany do bazy:
Ostatnio widziany:

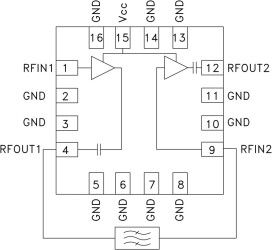
The HMC548LP3(E) is comprised of two internally matched SiGe HBT MMIC low noise amplifier stages housed in 3x3 mm leadless SMT package. The unique topology of the HMC548LP3(E) provides interstage access allowing the designer to place a bandpass filter between the two amplifier stages.

This filtering approach enables the receiver to reject nearby blocking signals such as those emitted from cellular and 3G hand-helds, without incurring the noise figure degradation associated with a high rejection pre-filter. When combined with the appropriate interstage bandpass filter, this LNA can be used as a receiver pre-amplifier in various applications from 1.2 to 3.0 GHz. Evaluation boards are available with or without a GPS L1 (1575 MHz) band pass filter.

Applications

* Automotive Telematics

* GPS Antenna Modules / Boosters

* Location Based Portables

* Satellite Navigation

* Single Supply: Vcc= +5V

* Low Noise Figure: 1.3 dB

* High Output IP3: +21 dBm

* No External Matching Required

Elecena nie prowadzi sprzedaży elementów elektronicznych, ani w niej nie pośredniczy.

Produkt pochodzi z oferty sklepu