elecena.pl

SiGe Direct Modulator, 100 - 4000 MHz

Analog Devices

SiGe Direct Modulator, 100 - 4000 MHz RSS Sample
  • Darmowa próbka
MPN:
HMC497
Producent:
ANALOG DEVICES
Dodany do bazy:
Ostatnio widziany:

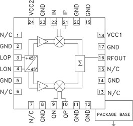
The HMC497LP4(E) is a low noise, high linearity Direct Quadrature Modulator RFICs which is ideal for digital modulation applications from 100 - 4000 MHz including; Cellular/3G, Broadband Wireless Access & ISM circuits. Housed in a compact 4x4 mm (LP4) SMT QFN package, the RFIC requires minimal external components & provides a low cost alternative to more complicated double upconversion architectures.

The RF output port is single-ended and matched to 50 Ohms with no external components. The LO requires -6 to +6 dBm and can be driven in either differential or single-ended mode while the baseband inputs will support modulation inputs from DC - 700 MHz typical. This device is optimized for a supply voltage of +4.5V to +5.5V and consumes 170 mA @ +5V supply.

Applications

* UMTS, GSM or CDMA Basestations

* Fixed Wireless or WLL

* ISM Transceivers, 900 & 2400 MHz

* GMSK, QPSK, QAM, SSB Modulators

* Very Low Noise Floor, -161 dBm/Hz

* Very High Linearity, +22 dBm OIP3

* High Output Power,+9 dBm Output P1dB

Elecena nie prowadzi sprzedaży elementów elektronicznych, ani w niej nie pośredniczy.

Produkt pochodzi z oferty sklepu