elecena.pl

Integrated Optical Module with Ambient Light Rejection and Three LEDs

Analog Devices

Integrated Optical Module with Ambient Light Rejection and Three LEDs RSS Sample
  • Darmowa próbka
MPN:
ADPD174GGI
Producent:
ANALOG DEVICES
Dodany do bazy:
Ostatnio widziany:

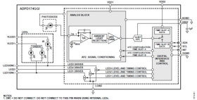
The ADPD174GGI is a complete photometric system designed to measure optical signals from ambient light and from synchronous reflected LED pulses. Synchronous measurement offers best-in-class rejection of ambient light interference, both dc and ac. The module integrates a highly efficient photometric front end, three LEDs, and a photodiode (PD). All of these items are housed in a custom package that prevents light from going directly from the LED to the photodiode without first entering the subject.

The front end of the ASIC consists of a control block, a 14-bit analog-to-digital converter (ADC) with a 20-bit burst accumulator, and three flexible, independently configurable LED drivers. The control circuitry includes flexible LED signaling and synchronous detection. The analog front end (AFE) features best-in-class rejection of signal offset and corruption due to modulated interference commonly caused by ambient light. The data output and functional configuration occur over a 1.8 V I2C interface.

Applications

* Optical heart rate monitoring

* Reflective SpO2 measurement

* 2.8 mm × 6.5 mm module with integrated optical components

2 green LEDs located on either side of the photodiode, 1 infrared LED, and 1 photodiode

* True 3-channel 250 mA LED driver

* Separate LED and AFE settings for each channel

* Dual data registers for each LED return signal

* 14-bit ADC

* 20-bit burst accumulator enabling 20 bits per sample period

* On-board sample to sample accumulator enabling up to

27 bits per data read

* Custom optical package made to work under a glass window

* Optimized SNR for signal limited cases

Elecena nie prowadzi sprzedaży elementów elektronicznych, ani w niej nie pośredniczy.

Produkt pochodzi z oferty sklepu