elecena.pl

Dual Channel Low Noise Amplifier, 230 - 660 MHz

Analog Devices

Dual Channel Low Noise Amplifier, 230 - 660 MHz RSS Sample
  • Darmowa próbka
MPN:
HMC816
Producent:
ANALOG DEVICES
Dodany do bazy:
Ostatnio widziany:

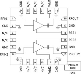
The HMC816LP4E is a GaAs PHEMT Dual Channel Low Noise Amplifier that is ideal for Cellular/3G and LTE/WiMAX/4G basestation front-end receivers operating between 230 and 660 MHz. The amplifier has been optimized to provide 0.5 dB noise figure, 22 dB gain and +37 dBm output IP3 from a single supply of +5V. Input and output return losses are excellent with minimal external matching and bias decoupling components.

The HMC816LP4E shares the same package and pinout with the HMC817LP4E and HMC818LP4E LNAs. The HMC816LP4E can be biased with +3V to +5V and features an externally adjustable supply current which allows the designer to tailor the linearity performance of each channel of the LNA for each application.

Applications

* Cellular/3G & LTE/WiMAX/4G

* BTS & Infrastructure

* Repeaters and Femtocells

* Public Safety Radio

* Multi-Channel Applications

* Noise Figure: 0.5 dB

* Gain: 22 dB

* Output IP3: +37 dBm

* Single Supply: +3V to +5V

Elecena nie prowadzi sprzedaży elementów elektronicznych, ani w niej nie pośredniczy.

Produkt pochodzi z oferty sklepu