Bridge Sensor Signal Conditioner IC with LIN Interface, Nonlinearity Correction, Temperature Compensation
Analog Devices
RSS
Sample
- Darmowa próbka
- MPN:
- ADA4558
- Producent:
- ANALOG DEVICES
- Dodany do bazy:
- Ostatnio widziany:
Sugerowane produkty dla ada4558
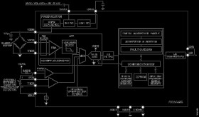
The ADA4558 is a fully integrated, sensor signal conditioner IC for bridge sensors. The device provides digital nonlinearity correction and temperature compensation via internal or external sensed temperatures using on-chip correction and calibration hardware that can be optimized for a specific bridge sensor.
The ADA4558 utilizes a fourth-order digital correction algorithm and delivers a system accuracy of 0.1% full scale range (FSR) for bridge sensors with second-order nonlinearity sensitivity. The ADA4558 includes a local interconnect network (LIN) physical interface for single-wire, high voltage communications in automotive environments. LIN 2.1 and earlier versions are supported. The LIN interface allows access to measurements, end of line (EOL) calibration, and a wide range of diagnostic functions.
The analog subsystem consists of an analog-to-digital converter (ADC) and a programmable gain amplifier (PGA) with a wide gain range from 2.94 V/V to 971.10 V/V. To minimize power supply noise, the bridge sensor is biased with an internal 4 V voltage regulator. The ADA4558 is fully specified from −40°C to +150°C. The device operates from battery supply voltages of 6 V to 18 V. The ADA4558 is available in a 4 mm × 4 mm, 20-lead lead frame chip scale package (LFCSP).
Applications
* Strain gage
* Pressure signal conditioner for automotive vehicles
* LIN 2.1 compliant interface (bridge sensor signal, temperature)* Digitally programmable gain and offset voltage adjustment* Gain range from 2.94 V/V to 971.10 V/V* Sensor temperature compensation (first- or second-order)* Sensor nonlinearity correction (first- or second-order)* Internal or external temperature sensor compensation
Elecena nie prowadzi sprzedaży elementów elektronicznych, ani w niej nie pośredniczy.
Produkt pochodzi z oferty sklepu Analog Devices