elecena.pl

Broadband Modem Mixed-Signal Front End

Analog Devices

Broadband Modem Mixed-Signal Front End RSS Sample
  • Darmowa próbka
MPN:
AD9868
Producent:
ANALOG DEVICES
Dodany do bazy:
Ostatnio widziany:

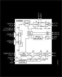
The AD9868 is a mixed-signal front-end (MxFE®) IC for transceiver applications requiring Tx path and Rx path functionality with data rates up to 80 MSPS. A lower cost, pin-compatible version of the AD9865, the AD9868 removes the current amplifier (IAMP) IOUTP functionality and limits the PLL VCO operating range of 80 MHz to 200 MHz.

The part is well-suited for half- and full-duplex applications. The digital interface is extremely flexible, allowing simple interfacing to digital back ends that support half- or full-duplex data transfers, often allowing the AD9868 to replace discrete ADC and DAC solutions. Power-saving modes include the ability to reduce power consumption of individual functional blocks or power down unused blocks in half-duplex applications. A serial port interface (SPI) allows software programming of the various functional blocks. An on-chip PLL clock multiplier and synthesizer provide all the required internal clocks, as well as two external clocks, from a single crystal or clock source.

The Tx signal path consists of a 2x/4x low-pass interpolation filter, a 10-bit TxDAC, and a line driver. The transmit path signal bandwidth can be as high as 34 MHz at an input data rate of 80 MSPS. The TxDAC provides differential current outputs that can be steered directly to an external load or to an internal low distortion current amplifier (IAMP) capable of delivering 17 dBm peak signal power. Tx power can be digitally controlled over a 19.5 dB range in 0.5 dB steps.

The receive path consists of a programmable amplifier (RxPGA), a tunable low-pass filter (LPF), and a 10-bit ADC. The low noise RxPGA has a programmable gain range of −12 dB to +48 dB in 1 dB steps. Its input referred noise is less than 3 nV/√Hz for gain settings beyond 36 dB. The receive path LPF cutoff frequency can be set over a 15 MHz to 35 MHz range or it can be simply bypassed. The 10-bit ADC achieves excellent dynamic performance up to an 80 MSPS span. Both the RxPGA and the ADC offer scalable power consumption allowing power/performance optimization.

The AD9868 provides a highly integrated solution for many broadband modems. It is available in a space-saving package, a 16-lead LFCSP, and is specified over the commercial temperature range (−40°C to +85°C).

Applications

* Broadband wireline networking

* Low cost 3.3 V CMOS MxFE for broadband modems * 10-bit DAC converter 2x/4x interpolation filter 200 MSPS DAC update rate * Integrated 17 dBm line driver with 19.5 dB gain control * −12 dB to +48 dB low noise RxPGA (<3 nV/√Hz) * 10-bit, 80 MSPS, ADC converter

Elecena nie prowadzi sprzedaży elementów elektronicznych, ani w niej nie pośredniczy.

Produkt pochodzi z oferty sklepu