elecena.pl

3-Axis, ±0.5 /±1 /±2 /±4 Digital Accelerometer

Analog Devices

3-Axis, ±0.5 /±1 /±2 /±4 Digital Accelerometer RSS Sample
  • Darmowa próbka
MPN:
ADXL313
Producent:
ANALOG DEVICES
Dodany do bazy:
Ostatnio widziany:
Zmiana ceny:
-100% (19.01.2025)
Poprzednia cena:
5.15

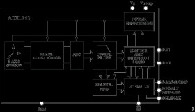
The ADXL313 is a small, thin, low power, 3-axis accelerometer with high resolution (13-bit) measurement up to ±4g. Digital output data is formatted as 16-bit twos complement and is accessible through either a serial port interface (SPI) (3-wire or 4-wire) or I2C digital interface.

The ADXL313 is well suited for car alarm or black box applications. It measures the static acceleration of gravity in tilt-sensing applications, as well as dynamic acceleration resulting from motion or shock. Its high resolution (1024 LSB/g) and low noise (150 μg/√Hz) enable resolution of inclination changes of as little as 0.1°. A built-in FIFO facilitates using oversampling techniques to improve resolution to as little as 0.025° of inclination.

Several built-in sensing functions are provided. Activity and inactivity sensing detects the presence or absence of motion and whether the acceleration on any axis exceeds a user-set level. These functions can be mapped to interrupt output pins. An integrated 32-level FIFO can be used to store data to minimize host processor intervention, resulting in reduced system power consumption.

Low power modes enable intelligent motion-based power management with threshold sensing and active acceleration measurement at extremely low power dissipation.

The ADXL313 is supplied in a small, thin 5 mm × 5 mm × 1.45 mm, 32-lead LFCSP package and is pin compatible with the ADXL312 accelerometer device.

APPLICATIONS

* Car alarms

* Hill start aid (HSA) systems

* Electronic parking brakes

* Data recorders (black boxes)

* Ultralow power (scales automatically with data rate)

* As low as 30 μA in measurement mode (VS = 3.3 V)

* As low as 0.1 μA in standby mode (VS = 3.3 V)

* Low noise performance

* 150 μg/√Hz typical for X- and Y-axes

* 250 μg/√Hz typical for the Z-axis

* Embedded, patent pending FIFO technology minimizes host processor load

* User-selectable resolution

* Fixed 10-bit resolution for any g range

* Fixed 1024 LSB/g sensitivity for any g range

* Resolution scales from 10-bit at ±0.5 g to 13-bit at ±4 g

Elecena nie prowadzi sprzedaży elementów elektronicznych, ani w niej nie pośredniczy.

Produkt pochodzi z oferty sklepu