elecena.pl

AC’97 SoundMAX® Codec

Analog Devices

AC’97 SoundMAX® Codec RSS Sample
  • Darmowa próbka
MPN:
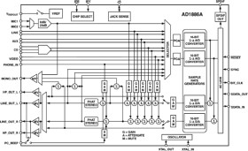
AD1886A
Producent:
ANALOG DEVICES
Dodany do bazy:
Ostatnio widziany:

The AD1886A is used to add analog and digital audio capabilities to computer motherboards by connecting directly to the AC'97 core logic chipset. By reusing existing system resources, this solution adds flexibility, improves sound quality, and lowers the system BOM cost by integrating components.

* 20-bit SPDIF Output w/32 kHz,44.1 kHz,and 48 kHz Symbol Rates * Full Duplex Variable Sample Rates from 7040 Hz to 48 kHz with 1 Hz Resolution * Jack Sense Pins Provide Automatic Output Switching * Split Power Supplies (3.3 V Digital/5 V Analog) * Software-Enabled VREFOUT Output for Microphones and External Power Amp

Elecena nie prowadzi sprzedaży elementów elektronicznych, ani w niej nie pośredniczy.

Produkt pochodzi z oferty sklepu