elecena.pl

500 MHz Dual Integrated DCL with Differential Drive/Receive, Level Setting DACs, and Per Pin PMU

Analog Devices

500 MHz Dual Integrated DCL with Differential Drive/Receive, Level Setting DACs, and Per Pin PMU RSS Sample
  • Darmowa próbka
MPN:
ADATE302-02
Producent:
ANALOG DEVICES
Dodany do bazy:
Ostatnio widziany:
Zmiana ceny:
-100% (18.01.2025)
Poprzednia cena:
45.22

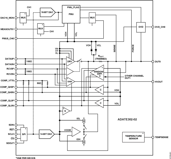
The ADATE302-02 is a complete, single-chip solution that performs the pin electronic functions of the driver, the comparator, and the active load (DCL), per pin PMU, and dc levels for ATE applications. The device also contains an HVOUT driver with a VHH buffer capable of generating up to 13.5 V.

TThe driver features three active states: data high mode, data low mode, and term mode, as well as an inhibit state. The inhibit state, in conjunction with the integrated dynamic clamp, facilitates the implementation of a high speed active termination. The output voltage range is −2.0 V to +6.0 V to accommodate a wide variety of test devices.

The ADATE302-02 can be used as either a dual single-ended drive/receive channel or a single differential drive/receive channel. Each channel of the ADATE302-02 features a high speed window comparator for functional testing as well as a per pin PMU with FV or FI and MV or MI functions. All necessary dc levels for DCL functions are generated by on-chip 14-bit DACs. The per pin PMU features an on-chip 16-bit DAC for high accuracy and contains integrated range resistors to minimize external component counts.

The ADATE302-02 uses a serial bus to program all functional blocks and has an on-board temperature sensor for monitoring the device temperature.

Applications

* Automatic test equipment

* Semiconductor test systems

* Board test systems

* Instrumentation and characterization equipment

* 3-level driver with high-Z mode and built-in clamps * Precision trimmed output resistance * Low leakage mode (typically <10 nA) * Voltage range: −2.0 V to +6.0 V

Elecena nie prowadzi sprzedaży elementów elektronicznych, ani w niej nie pośredniczy.

Produkt pochodzi z oferty sklepu