elecena.pl

Differential Line Drivers and Receiver Pair

Texas Instruments

Differential Line Drivers and Receiver Pair RSS Sample
  • Darmowa próbka
MPN:
DS8921
Producent:
TEXAS INSTRUMENTS
Dodany do bazy:
Ostatnio widziany:

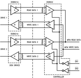
The DS8921, DS8921A, and DS8921AT devices are differential line driver and receiver pairs designed specifically for applications meeting the ST506, ST412, and ESDI disk drive standards. In addition, these devices meet the requirements of the EIA standard RS-422.

The DS8921x receivers offer an input sensitivity of 200 mV over a &plsumn;7 V common mode operating range. Hysteresis is incorporated (typically 70 mV) to improve noise margin for slowly changing input waveforms.

The DS8921x drivers are designed to provide unipolar differential drive to twisted-pair or parallel wire transmission lines. Complementary outputs are logically ANDed and provide an output skew of 0.5 ns (typical) with propagation delays of 12 ns.

The DS8921x devices are designed to be compatible with TTL and CMOS.

Elecena nie prowadzi sprzedaży elementów elektronicznych, ani w niej nie pośredniczy.

Produkt pochodzi z oferty sklepu