elecena.pl

133-MHz 48-bit Channel Link deserializer

Texas Instruments

133-MHz 48-bit Channel Link deserializer RSS Sample
  • Darmowa próbka
MPN:
DS90CR486
Producent:
TEXAS INSTRUMENTS
Dodany do bazy:
Ostatnio widziany:

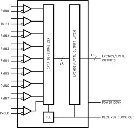
The DS90CR486 receiver converts eight Low Voltage Differential Signaling (LVDS) data streams back into 48 bits of LVCMOS/LVTTL data. Using a 133MHz clock, the data throughput is 6.384Gbit/s (798Mbytes/s).

The multiplexing of data lines provides a substantial cable reduction. Long distance parallel single-ended buses typically require a ground wire per active signal (and have very limited noise rejection capability). Thus, for a 48-bit wide data and one clock, up to 98 conductors are required. With this Channel Link chipset as few as 19 conductors (8 data pairs, 1 clock pair and a minimum of one ground) are needed. This provides an 80% reduction in interconnect width, which provides a system cost savings, reduces connector physical size and cost, and reduces shielding requirements due to the cables' smaller form factor.

The DS90CR486 deserializer is improved over prior generations of Channel Link devices and offers higher bandwidth support and longer cable drive with three areas of enhancement. To increase bandwidth, the maximum clock rate is increased to 133 MHz and 8 serialized LVDS outputs are provided. Cable drive is enhanced with a user selectable pre-emphasis (on DS90CR485) feature that provides additional output current during transitions to counteract cable loading effects. Optional DC balancing on a cycle-to-cycle basis, is also provided to reduce ISI (Inter-Symbol Interference). With pre-emphasis and DC balancing, a low distortion eye-pattern is provided at the receiver end of the cable. A cable deskew capability has been added to deskew long cables of pair-to-pair skew. These three enhancements allow long cables to be driven.

The DS90CR486 is intended to be used with the DS90CR485 Channel Link Serializer. It is also backward compatible with serializers DS90CR481 and DS90CR483. The DS90CR486 is footprint compatible with the DS90CR484.

The chipset is an ideal solution to solve EMI and interconnect size problems for high-throughput point-to-point applications.

For more details, please refer to the section of this datasheet.

Elecena nie prowadzi sprzedaży elementów elektronicznych, ani w niej nie pośredniczy.

Produkt pochodzi z oferty sklepu